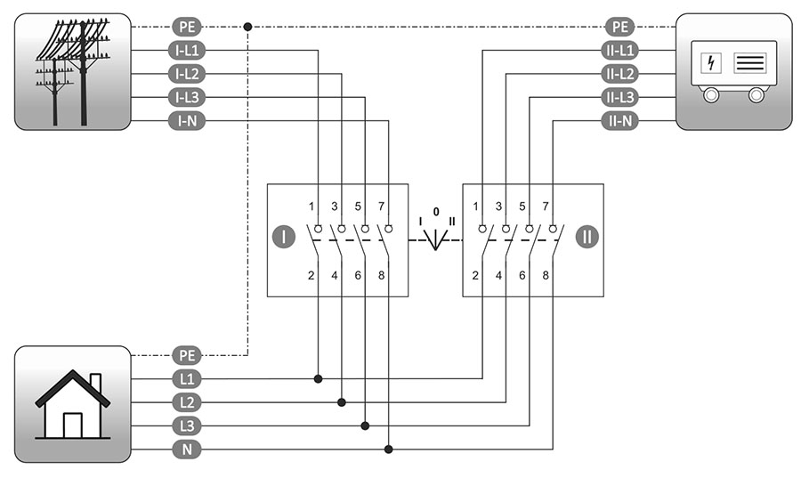
4-pole, rotary, modular mains-aggregate switch 63 A
Modular network-generator installation switches implement the 1-0-2 switching program, which makes it possible, for example, to connect one of two input lines to the output or completely disconnect the circuits. The switch contacts function as a disconnector, so it is possible to switch to the rated load current.
