Dzięki zastosowanemu cyfrowemu wyświetlaczowi możemy na bieżąco odczytywać wartość prądu w obwodzie mierzonym oraz precyzyjnie zaprogramować wartości parametrów według których będzie pracował.
Działanie
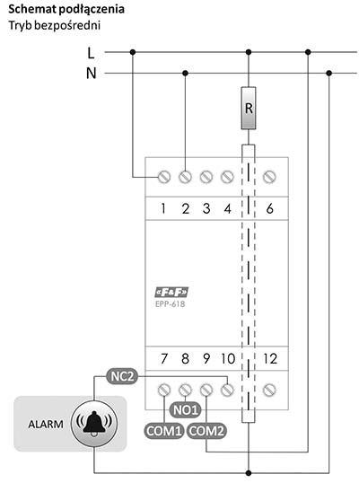
Przekaźnik jest przystosowany do pracy z przekładnikiem prądowym o prądzie wtórnym 5 A. Lub bez przekładnika, z tym, że wtedy jego prąd maksymalny wynosi 50 A. Przekaźnik pracuje według jednej z 4 funkcji pracy: F1, F2, F3 i F4.
Funkcja F1
Jeżeli prąd w obwodzie pomiarowym przekroczy wartość zadaną Hi, to styki przekaźnika 7-8 zostaną połączone, a styki 9-10 - rozłączone. Jeśli prąd w obwodzie pomiarowym będzie mniejszy niż wartość ustawiona minus wartość histerezy, styki przekaźnika wrócą do pierwotnego położenia. Moment załączenia i wyłączenia przekaźnika możemy dodatkowo skorygować w zakresie 0,5÷10 s.
Funkcja F2
Po spadku natężenia pradu poniżej wartości ustawionej Lo, styki przekaźnika 7-8 zostaną połączone, a styki 9-10 - rozłączone. Jeśli prąd w obwodzie pomiarowym będzie większy od nastawionego plus wartość histerezy, to styki przekaźnika wrócą do pierwotnego położenia. Moment załączenia i wyłączenia przekaźnika możemy dodatkowo skorygować w zakresie 0,5÷10 s.
Funkcja F3
Jeśli prąd w obwodzie pomiarowym przekroczy wartość zadaną Hi, to styki przekaźnika 7-8 zostaną połączone a styki 9-10 rozłączone. Styki przekaźnika w tej funkcji wrócą do pierwotnego położenia dopiero wtedy, gdy wartość prądu będzie niższa niż wartość Lo. W funkcji tej nastawy prądu nie są korygowane o wartość histerezy. Moment załączenia i wyłączenia przekaźnika możemy dodatkowo skorygować w zakresie 0,5÷10 s.
Funkcja F4
W funkcji tej przekaźnik pracuje w tzw. "oknie pomiarowym". Przekaźnik zostanie załaczony, jeśli prąd w obwodzie pomiarowym będzie wyższy od wartości zadanej Hi. Styki przekaźnika wrócą do pierwotnego położenia, jeśli prąd spadnie poniżej wartości zadanej minus wartość histerezy. Ale przekaźnik zostanie również załączony jeśli wartość prądu będzie poniżej wartości zadanej Lo. W tym przypadku przekaźnik zostanie wyłączony, jeśli wartość prądu w obwodzie pomiarowym zwiększy się powyżej wartości zadanej Lo plus wartość histerezy.
Moment załączenia i wyłączenia możemy dodatkowo skorygować nastawą czasu tON lub tOFF.