

Functioning
The indicator continuously measures the RMS current value, the result of which is shown on a 3-row, 3-digit segment display on the facade of the unit.
The indicator allows the value of connected current transformers to be set, so that the value shown on the display corresponds to the actual current value.
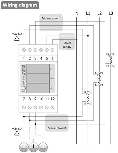
The DMA-3 CT is suitable for mounting in a switchgear directly on a 35 mm DIN rail.
If the secondary windings of the measuring transformers are open (e.g. during assembly) and a current flows through the measured circuit, a dangerous voltage may be induced at the terminals of the measuring transformer. It is absolutely necessary to protect oneself from such a situation by switching off the power supply of measured circuits or installing additional bridges short-circuiting the secondary side of a measuring transformer.
The indicator is designed for current measurement using current transformers with a rated output current of 5 A. Current flow through the measuring circuit of the indicator of a value higher than 6 A may lead to damage of the indicator.
For increased safety, it is recommended that one side of the current transformer be earthed as shown in the connection diagram.