Single-phase or three-phase. Backlit LCD display.Semi-direct, bi-directional measurement of electricity and network parameters.
MID certified.
Modbus RTU communication interface.

Compliance
Directive 2014/32/EU
Certificate number: 0120/SGS0753
Purpose
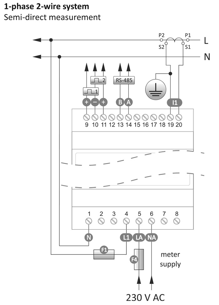
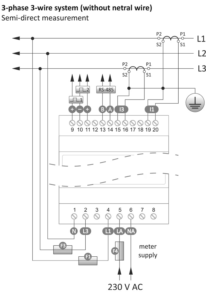
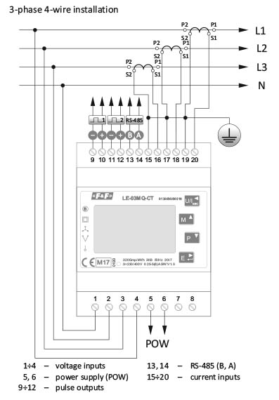
The LE-03MQ CT v2 meter is a static (electronic) calibrated single-phase or three-phase AC electricity meter in a semi-direct system. It is used for indication and registration of consumed electricity and parameters of power supply network with the possibility of remote reading of indications via wired network of RS-485 standard. The meter cooperates with current transformers (CT) with secondary current of 1 A or 5 A.
The meter is configured via the configuration menu accessible from the front panel and via the communication port in accordance with Modbus RTU software functions.
Functions
Measured values

Service program
LE Config
The programme allows the test reading of billed energy values and the setting of basic meter parameters.
LE Config programme > download
PC-LE communication by means of USB CN-USB-485 converter ►.
Program free of charge.
Programs for remote reading of the following meters
LE-01M, LE-03M, LE-03M-CT, LE-01MR, LE-03MP, LE-1MQ, LE-03MQ, LE-03MQ-CT, LE-01MW, LE-03MW, LE-03MW-CT
MeternetPRO
The MeternetPRO application enables remote reading of states and indications of counters, multimeters, measuring transmitters, I/O expansion modules and other measuring devices communicating according to the Modbus RTU protocol. The application is an integral part of Excel. The data read is presented in a table in the programme. The data can be freely shaped according to the software functions of the spreadsheet. Data exchange between the devices and the application is carried out via RS-485 network or LAN. The programme together with the database is installed on a special MT-CPU-1 server, which operates in the local network. The software user interface is a web application (website). Access to the programme is via any web browser. In the case of a LAN with a public IP address, it is possible to configure the programme's operation and data reading via the Internet.

Subscriber billing module for electricity consumption
Subscriber billing module for electricity consumption or other recorded incremental values, e.g. water consumption, heat consumption, etc. Allows for the calculation of value increments in defined settlement periods (time intervals). Cycles: monthly, weekly, daily, hourly. The module allows the creation of many individual and parallel reports.



