Jednofazowy lub trójfazowy. Podświetlany wyświetlacz LCD. Półpośredni, dwukierunkowy pomiar energii elektrycznej i parametrów sieci.
Posiada certyfikat MID.
Interfejs komunikacyjny Modbus RTU.

Zgodność
Dyrektywa 2014/32/EU
Numer certyfikatu: 0120/SGS0753
Przeznaczenie
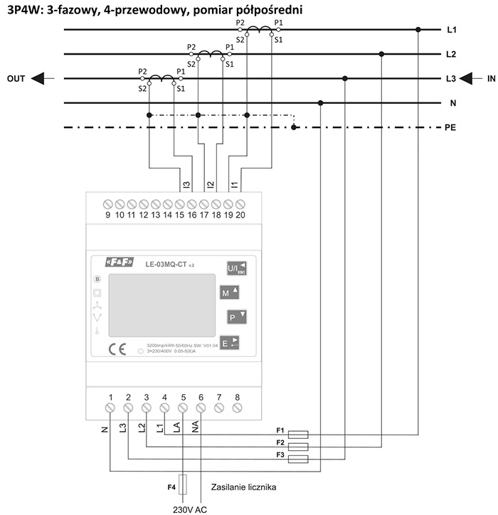
Licznik LE-03MQ CT v2 jest statycznym (elektronicznym) wzorcowanym licznikiem energii elektrycznej prądu przemiennego jednofazowego lub trójfazowego w układzie półpośrednim. Służy do wskazań i rejestracji pobranej energii elektrycznej oraz parametrów sieci zasilającej z możliwością zdalnego odczytu wskazań przez przewodową sieć standardu RS-485. Licznik współpracuje z przekładnikami prądowymi (CT) o prądzie wtórnym 1 A lub 5 A.
Konfiguracja licznika odbywa się przez menu konfiguracyjne dostępne z panelu czołowego oraz przez port komunikacyjny zgodnie z funkcjami programowymi Modbus RTU.
Funkcje
Mierzone wartości

Program serwisowy
LE Config
Program umożliwia testowy odczyt wartości naliczonej energii oraz dokonanie nastaw podstawowych parametrów licznika.
Program LE Config > pobierz
Komunikacja PC-LE za pomocą konwertera USB CN-USB-485 ►
Program bezpłatny.
Programy do zdalnego odczytu wskazań liczników
LE-01M, LE-03M, LE-03M-CT, LE-01MR, LE-03MP, LE-1MQ, LE-03MQ, LE-03MQ-CT, LE-01MW, LE-03MW, LE-03MW-CT
MeternetPRO
Program MeternetPRO umożliwia zdalny odczyt stanów oraz wskazań liczników, multimetrów, przetworników pomiarowych, modułów rozszerzeń wejść/wyjść i innych urządzeń pomiarowych komunikujących się zgodnie z protokołem Modbus RTU. Aplikacja jest integralną częścią programu Excel. Odczytane dane przedstawiane są w tabeli programu. Dane można dowolnie kształtować zgodnie z programowymi funkcjami arkusza kalkulacyjnego. Wymiana danych pomiędzy urządzeniami a aplikacją realizowana jest po sieci RS-485 lub sieci lokalnej LAN. Program wraz z bazą danych zainstalowany jest na specjalnym serwerze MT-CPU-1, który pracuje w sieci lokalnej. Programowy interfejs użytkownika jest aplikacją web'ową (stroną internetową). Dostęp do programu jest poprzez dowolną przeglądarkę internetową. W przypadku sieci LAN z publicznym adresem IP istnieje możliwość konfiguracji pracy programu i odczytu danych poprzez internet.

Moduł rozliczeń abonentowych zużycia energii elektrycznej
Moduł rozliczeń abonentowych zużycia energii elektrycznej lub innych rejestrowanych wartości narastających, np. zużycia wody, ciepła, itp. Pozwala na wyliczanie przyrostów wartości w wyznaczonych okresach rozliczeniowych (przedziałach czasowych). Cykle: miesięczny, tygodniowy, dzienny, godzinowy. Moduł pozwala na tworzenie wielu indywidualnych i równolegle pracujących raportów.






| Produkt | Licznik 1-fazowy | Licznik 3-fazowy | Wskaźnik 1-fazowy | Wskaźnik 3-fazowy | MID | Pomiar pośredni | Pomiar półpośredni | 2-kierunkowy | Pomiar dodatkowych parametrów | Komunikacja | Podświetlenie liczydła | Kasowanie | ||||||||||||
|---|---|---|---|---|---|---|---|---|---|---|---|---|---|---|---|---|---|---|---|---|---|---|---|---|
| Energia czynna pobrana | Energia czynna oddana | Energia bierna | Energia bierna pobrana | Energia bierna oddana | Moc czynna, bierna, pozorna | Zapotrzebowanie na moc | Napięcie | Prąd | Częstotliwość | Współczynnik mocy | Ethernet | Modbus | M-Bus | |||||||||||
| LE-01 | ● | – | – | – | – | – | – | – | ● | – | – | – | – | – | – | – | – | – | – | – | – | – | – | – |
| LE-01d | ● | – | – | – | ● | – | – | – | ● | – | – | – | – | – | – | – | – | – | – | – | – | – | – | – |
| LE-01DC | ● | – | – | – | – | – | bocznik | ● | ● | ● | – | – | – | – | – | ● | ● | – | – | – | ● | – | ● | – |
| LE-01M | ● | – | – | – | – | – | – | – | ● | – | – | – | – | – | – | – | – | – | – | – | ● | – | – | – |
| LE-01MB | ● | – | – | – | ● | – | – | ● | ● | ● | – | ● | ● | ● | ● | ● | ● | ● | ● | – | – | ● | ● | – |
| LE-01MQ | ● | – | – | – | ● | – | – | ● | ● | ● | – | ● | ● | ● | ● | ● | ● | ● | ● | – | ● | – | ● | – |
| LE-01MR | ● | – | – | – | ● | – | – | ● | ● | – | ● | – | – | ● | – | ● | ● | ● | ● | – | ● | – | ● | ● |
| LE-01MW | ● | – | – | – | ● | – | – | ● | ● | – | ● | – | – | ● | – | ● | ● | ● | ● | – | ● | – | ● | ● |
| LE-01R | ● | – | – | – | ● | – | – | ● | ● | ● | ● | – | – | ● | ● | ● | ● | ● | ● | – | – | – | ● | ● |
| LE-02d | – | ● | – | – | ● | – | – | – | ● | – | – | – | – | – | – | – | – | – | – | – | – | – | ● | – |
| LE-02d CT | – | ● | – | – | – | – | ● | – | ● | – | – | – | – | – | – | – | – | – | – | – | – | – | ● | – |
| LE-03 | – | ● | – | – | – | – | – | – | ● | – | – | – | – | – | – | – | – | – | – | – | – | – | – | – |
| LE-03d | – | ● | – | – | ● | – | – | – | ● | – | – | – | – | – | – | – | – | – | – | – | – | – | ● | – |
| LE-03d CT200 | – | ● | – | – | – | – | ● | – | ● | – | – | – | – | – | – | – | – | – | – | – | – | – | – | – |
| LE-03d CT400 | – | ● | – | – | – | – | ● | – | ● | – | – | – | – | – | – | – | – | – | – | – | – | – | – | – |
| LE-03ETH | – | ● | – | – | ● | – | ● | ● | ● | ● | – | ● | ● | ● | ● | ● | ● | ● | ● | ● | – | – | ● | – |
| LE-03ETH-CT | – | ● | – | – | ● | ● | ● | ● | ● | ● | – | ● | ● | ● | ● | ● | ● | ● | ● | ● | – | – | ● | – |
| LE-03 FPV-RST | – | ● | – | – | ● | – | – | ● | ● | ● | – | – | – | ● | – | – | – | – | – | – | – | – | ● | ● |
| LE-03M | – | ● | – | – | ● | – | – | – | ● | – | – | – | – | – | – | – | – | – | – | – | ● | – | – | – |
| LE-03M CT | – | ● | – | – | – | – | ● | – | ● | – | – | – | – | – | – | – | – | – | – | – | ● | – | – | – |
| LE-03MB | – | ● | – | – | ● | – | – | ● | ● | ● | – | ● | ● | ● | ● | ● | ● | ● | ● | – | – | ● | ● | – |
| LE-03MB CT | – | ● | – | – | – | ● | ● | ● | ● | ● | – | ● | ● | ● | ● | ● | ● | ● | ● | – | – | ● | ● | – |
| LE-03MP | – | ● | – | – | – | – | – | ● | ● | – | ● | – | – | ● | – | ● | ● | ● | – | – | ● | – | – | – |
| LE-03MQ | – | ● | – | – | ● | – | – | ● | ● | ● | – | ● | ● | ● | ● | ● | ● | ● | ● | – | ● | – | ● | – |
| LE-03MQ CT | – | ● | – | – | ● | ● | ● | ● | ● | ● | – | ● | ● | ● | ● | ● | ● | ● | ● | – | ● | – | ● | – |
| LE-03MW | – | ● | – | – | ● | – | – | ● | ● | ● | ● | ● | ● | ● | ● | ● | ● | ● | ● | – | ● | – | – | ● |
| LE-03MW CT | – | ● | – | – | – | – | ● | ● | ● | ● | ● | ● | ● | ● | ● | ● | ● | ● | ● | – | ● | – | – | ● |
| LE-04d | – | ● | – | – | – | – | – | – | ● | – | – | – | – | – | – | – | – | – | – | – | – | – | – | – |
| LE-05d | – | ● | – | – | – | – | – | – | ● | – | – | – | – | – | – | – | – | – | – | – | – | – | – | – |
| NEL-1-30 | – | – | ● | – | – | – | – | – | ● | – | – | – | – | – | – | – | – | – | – | – | – | – | – | – |
| NEL-1-60 | – | – | ● | – | – | – | – | – | ● | – | – | – | – | – | – | – | – | – | – | – | – | – | – | – |
| NEL-3-100 | – | – | – | ● | – | – | – | – | ● | – | – | – | – | – | – | – | – | – | – | – | – | – | – | – |
| WZE-1 | ● | – | – | – | ● | – | – | – | ● | – | – | – | – | – | – | – | – | – | – | – | – | – | – | – |
| WZE-1-RST | ● | – | – | – | – | – | – | – | ● | – | – | – | – | – | – | – | – | – | – | – | – | – | ● | ● |
| WZE-3 | – | ● | – | – | ● | – | – | – | ● | – | – | – | – | – | – | – | – | – | – | – | – | – | – | – |
| WZE-3-RST | – | ● | – | – | ● | – | – | – | ● | – | – | – | – | – | – | – | – | – | – | – | – | – | – | ● |