- NOWOŚĆ
3-fazowy, 2-kierunkowy, 4-kwadrantowy licznik zużycia energii elektrycznej z podziałem na różne strefy taryfowe, pomiar bezpośredni do 100A.
Posiada certyfikat MID.
Interfejs komunikacyjny Modbus RTU.
Zgodność
Dyrektywa MID 2014/32/EU
Nr certyfikatu 0598/MID/B/25/135
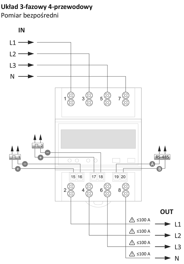
LE-03MW-4Q4T to zaawansowany, 3-fazowy licznik energii elektrycznej z dwukierunkowym pomiarem energii czynnej i biernej w 4 strefach taryfowych. Licznik umożliwia pełny 4-kwadrantowy pomiar energii biernej (import/eksport energii indukcyjnej i pojemnościowej). Urządzenie przeznaczone jest do precyzyjnego pomiaru zużycia energii elektrycznej z możliwością zdalnego odczytu wskazań przez interfejs komunikacyjny RS-485 obsługujący protokół Modbus RTU.
Funkcje
bezpośredni pomiar prądów do 100 A w układzie 3-fazowym, 4-przewodowym;
dwukierunkowy pomiar energii czynnej i biernej (import i eksport) w 4 strefach taryfowych;
rejestracja całkowitego zużycia energii czynnej i biernej, oraz w rozłożeniu na import/eksport (energia czynna i bierna), oraz zużycie energii biernej we wszystkich czterech kwadrantach.
certyfikat MID;
pomiar bieżących parametrów sieci: napięcia, prądy, moc czynna, bierna, pozorna, współczynnik mocy;
wbudowany zegar czasu rzeczywistego z podtrzymaniem bateryjnym, umożliwiający automatyczne przełączanie stref taryfowych;
8 harmonogramów czasowych dzielących dobę na strefy taryfowe;
możliwość rozliczania energii według odrębnych harmonogramów dla dni roboczych, weekendów oraz do 100 zdefiniowanych dni świątecznych;
obliczanie zapotrzebowania na moc czynną i bierną również z podziałem na fazy;
zdalny odczyt przez port komunikacyjny RS-485;
protokół Modbus RTU;
2 konfigurowalne wyjścia impulsowe SO;
zabezpieczenie ustawień za pomocą kodu PIN;
podświetlany, wielofunkcyjny wyświetlacz LCD;
montaż na szynie DIN, obudowa o szerokości 4 modułów.
Mierzone wartości:
|
Energia czynna pobrana/oddana |
AE+/AE- |
[kWh] |
|
Energia bierna pobrana/oddana |
RE+/RE- |
[kVArh] |
|
Energia bierna z podziałem na 4 kwadranty |
Q1-Q4 |
[kVArh] |
|
Napięcia fazowe |
U1, U2, U3 |
[V] |
|
Napięcia międzyfazowe |
U12, U23, U31 |
[V] |
|
Prądy fazowe |
I1, I2, I3 |
[A] |
|
Częstotliwość |
F |
[Hz] |
|
Moc czynna |
P |
[W] |
|
Moc bierna |
Q |
[var] |
|
Moc pozorna |
S |
[VA] |
|
Współczynnik mocy |
cosϕ |
|
Dzięki pomiarowi w 4 kwadrantach możemy uzyskać pełny bilans energetyczny w instalacji elektrycznej, jest on niezbędny w przypadku dokładnego rozliczenia energii w instalacji z fotowoltaiką czy magazynem energii. Umożliwia on pełną kontrolę i monitoring zużycia energii elektrycznej w układach 3-fazowych, zapewniając jednocześnie dokładną analizę parametrów pracy całej instalacji. Dzięki temu użytkownik otrzymuje wiarygodne dane do rozliczeń oraz optymalizacji zużycia energii.

| Produkt | Licznik 1-fazowy |
Licznik 3-fazowy |
MID | Pomiar pośredni |
Pomiar półpośredni |
2-kierunkowy | Pomiar dodatkowych parametrów | Komunikacja | Podświetlenie liczydła |
Kasowanie | ||||||||||||
|---|---|---|---|---|---|---|---|---|---|---|---|---|---|---|---|---|---|---|---|---|---|---|
| Energia czynna pobrana | Energia czynna oddana | Energia bierna | Energia bierna pobrana | Energia bierna oddana | Moc czynna, bierna, pozorna | Zapotrzebowanie na moc | Napięcie | Prąd | Częstotliwość | Współczynnik mocy | Ethernet | Modbus | M-Bus | |||||||||
| LE-01 | ● | – | – | – | – | – | ● | – | – | – | – | – | – | – | – | – | – | – | – | – | – | – |
| LE-01d | ● | – | ● | – | – | – | ● | – | – | – | – | – | – | – | – | – | – | – | – | – | – | – |
| LE-01DC | ● | – | – | – | bocznik | ● | ● | ● | – | – | – | – | ● | ● | ● | – | – | – | ● | – | ● | – |
| LE-01M | ● | – | – | – | – | – | ● | – | – | – | – | – | – | – | – | – | – | – | ● | – | – | – |
| LE-01MB | ● | – | ● | – | – | ● | ● | ● | ● | ● | ● | ● | ● | ● | ● | ● | ● | – | – | ● | ● | – |
| LE-01MQ | ● | – | ● | – | – | ● | ● | ● | ● | ● | ● | ● | ● | ● | ● | ● | ● | – | ● | – | ● | – |
| LE-01MR | ● | – | ● | – | – | ● | ● | ● | ● | ● | ● | ● | ● | ● | ● | ● | ● | – | ● | – | ● | ● |
| LE-01MW | ● | – | ● | – | – | ● | ● | ● | ● | ● | ● | ● | ● | ● | ● | ● | ● | – | ● | – | ● | ● |
| LE-01R | ● | – | ● | – | – | ● | ● | ● | ● | – | – | ● | ● | ● | ● | ● | ● | – | – | – | ● | ● |
| LE-02d | – | ● | ● | – | – | – | ● | – | – | – | – | – | – | – | – | – | – | – | – | – | ● | – |
| LE-02d CT | – | ● | – | – | ● | – | ● | – | – | – | – | – | – | – | – | – | – | – | – | – | ● | – |
| LE-03 | – | ● | – | – | – | – | ● | – | – | – | – | – | – | – | – | – | – | – | – | – | – | – |
| LE-03d | – | ● | ● | – | – | – | ● | – | – | – | – | – | – | – | – | – | – | – | – | – | ● | – |
| LE-03d CT200 | – | ● | – | – | ● | – | ● | – | – | – | – | – | – | – | – | – | – | – | – | – | – | – |
| LE-03d CT400 | – | ● | – | – | ● | – | ● | – | – | – | – | – | – | – | – | – | – | – | – | – | – | – |
| LE-03ETH | – | ● | ● | – | ● | ● | ● | ● | ● | ● | ● | ● | ● | ● | ● | ● | ● | ● | – | – | ● | – |
| LE-03ETH-CT | – | ● | ● | ● | ● | ● | ● | ● | ● | ● | ● | ● | ● | ● | ● | ● | ● | ● | – | – | ● | – |
| LE-03 FPV-RST | – | ● | ● | – | – | ● | ● | ● | – | – | – | ● | – | – | – | – | – | – | – | – | ● | ● |
| LE-03M | – | ● | ● | – | – | – | ● | – | – | – | – | – | ● | ● | ● | – | – | – | ● | – | – | – |
| LE-03M CT | – | ● | – | – | ● | – | ● | – | – | – | – | – | – | – | – | – | – | – | ● | – | – | – |
| LE-03MB | – | ● | ● | – | – | ● | ● | ● | ● | ● | ● | ● | ● | ● | ● | ● | ● | – | – | ● | ● | – |
| LE-03MB CT | – | ● | ● | ● | ● | ● | ● | ● | ● | ● | ● | ● | ● | ● | ● | ● | ● | – | – | ● | ● | – |
| LE-03MP | – | ● | – | – | – | – | ● | – | ● | – | – | ● | – | ● | ● | ● | – | – | ● | – | – | – |
| LE-03MQ | – | ● | ● | – | – | ● | ● | ● | ● | ● | ● | ● | ● | ● | ● | ● | ● | – | ● | – | ● | – |
| LE-03MQ CT | – | ● | ● | ● | ● | ● | ● | ● | ● | ● | ● | ● | ● | ● | ● | ● | ● | – | ● | – | ● | – |
| LE-03MW | – | ● | ● | – | – | ● | ● | ● | ● | ● | ● | ● | ● | ● | ● | ● | ● | – | ● | – | – | ● |
| LE-03MW CT | – | ● | – | – | ● | ● | ● | ● | ● | ● | ● | ● | ● | ● | ● | ● | ● | – | ● | – | – | ● |
| LE-04d | – | ● | – | – | – | – | ● | – | – | – | – | – | – | – | – | – | – | – | – | – | – | – |
| LE-05d | – | ● | – | – | – | – | ● | – | – | – | – | – | – | – | – | – | – | – | – | – | – | – |
| NEL-1-30 | ● | – | – | – | – | – | ● | – | – | – | – | – | – | – | – | – | – | – | – | – | – | – |
| NEL-1-60 | ● | – | – | – | – | – | ● | – | – | – | – | – | – | – | – | – | – | – | – | – | – | – |
| NEL-3-100 | – | ● | – | – | – | – | ● | – | – | – | – | – | – | – | – | – | – | – | – | – | – | – |
| WZE-1 | ● | – | ● | – | – | – | ● | – | – | – | – | – | – | – | – | – | – | – | – | – | – | – |
| WZE-1-RST | ● | – | – | – | – | – | ● | – | – | – | – | – | – | – | – | – | – | – | – | – | ● | ● |
| WZE-3 | – | ● | ● | – | – | – | ● | – | – | – | – | – | – | – | – | – | – | – | – | – | – | – |
| WZE-3-RST | – | ● | ● | – | – | – | ● | – | – | – | – | – | – | – | – | – | – | – | – | – | ● | ● |