- NEW
3-phase, 2-way, 4-quadrant electricity meter with separate tariff zones, direct measurement up to 100A.
MID-certified.
Modbus RTU communication interface.
Compliance
MID Directive 2014/32/EU
Certificate No. 0598/MID/B/25/135
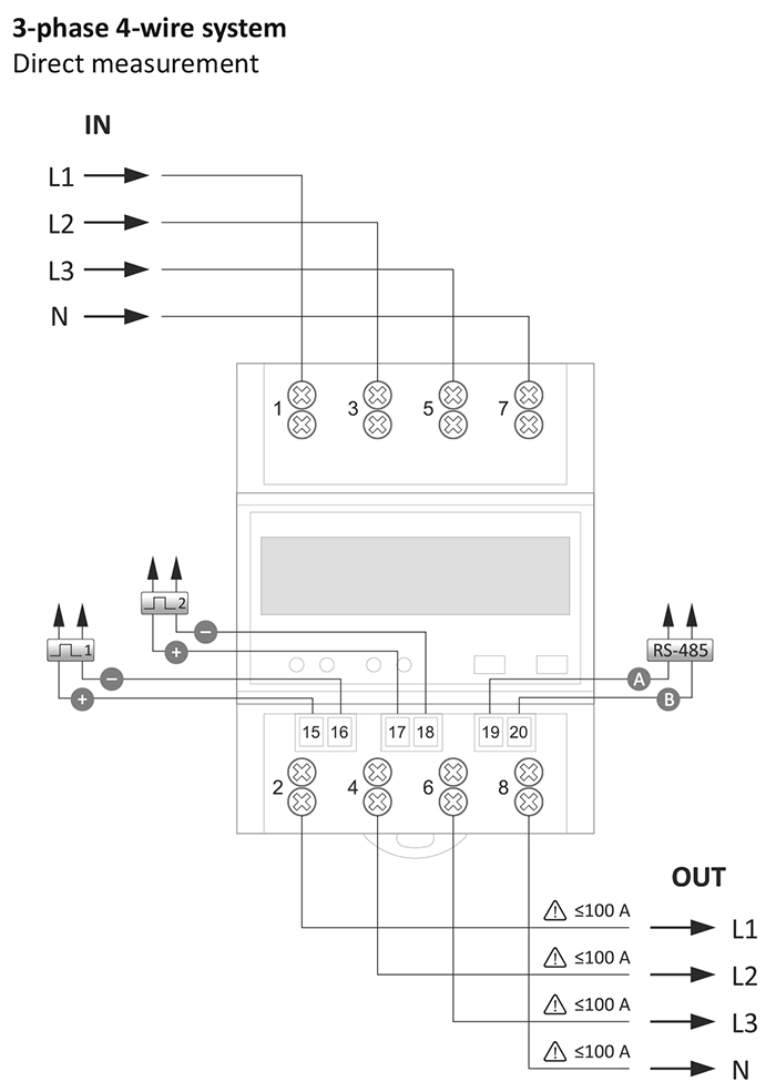
The LE-03MW-4Q4T is an advanced, 3-phase electricity meter with bidirectional measurement of active and reactive energy across 4 tariff zones. The meter enables full 4-quadrant reactive energy measurement (import/export of inductive and capacitive energy). The device is designed for precise measurement of electricity consumption with the option of remote reading via an RS-485 communication interface supporting the Modbus RTU protocol.
Features
direct measurement of currents up to 100 A in a 3-phase, 4-wire system;
bidirectional measurement of active and reactive energy (import and export) across 4 tariff zones;
recording of total active and reactive energy consumption, broken down into import/export (active and reactive energy), and reactive energy consumption in all four quadrants.
MID certification;
measurement of current network parameters: voltage, currents, active, reactive and apparent power, power factor;
built-in real-time clock with battery backup, enabling automatic switching between tariff zones;
8 time schedules dividing the day into tariff zones;
ability to bill energy according to separate schedules for working days, weekends and up to 100 defined public holidays;
calculation of active and reactive power demand, also broken down by phase;
remote reading via the RS-485 communication port;
Modbus RTU protocol;
2 configurable SO pulse outputs;
PIN code protection for settings;
backlit, multifunctional LCD display;
DIN rail mounting, 4-module wide housing.
Measured values:
|
Active energy consumed/supplied |
AE+/AE- |
[kWh] |
|
Reactive energy consumed/supplied |
RE+/RE- |
[kVArh] |
|
Reactive energy broken down into 4 quadrants |
Q1-Q4 |
[kVArh] |
|
Phase voltages |
U1, U2, U3 |
[V] |
|
Phase-to-phase voltages |
U12, U23, U31 |
[V] |
|
Phase currents |
I1, I2, I3 |
[A] |
|
Frequency |
F |
[Hz] |
|
Active power |
P |
[W] |
|
Reactive power |
Q |
[var] |
|
Apparent power |
S |
[VA] |
|
Power factor |
cosϕ |
|
By measuring across four quadrants, we can obtain a complete energy balance for the electrical installation; this is essential for accurate energy billing in systems with photovoltaics or energy storage. It enables full control and monitoring of electricity consumption in three-phase systems, whilst providing a detailed analysis of the operating parameters of the entire installation. As a result, the user receives reliable data for billing and optimising energy consumption.

| Produkt | Licznik 1-fazowy |
Licznik 3-fazowy |
Wskaźnik 1-fazowy |
Wskaźnik 3-fazowy |
MID | Pomiar pośredni |
Pomiar półpośredni |
2-kierunkowy | Pomiar dodatkowych parametrów | Komunikacja | Podświetlenie liczydła |
Kasowanie | ||||||||||||
|---|---|---|---|---|---|---|---|---|---|---|---|---|---|---|---|---|---|---|---|---|---|---|---|---|
| Energia czynna pobrana | Energia czynna oddana | Energia bierna | Energia bierna pobrana | Energia bierna oddana | Moc czynna, bierna, pozorna | Zapotrzebowanie na moc | Napięcie | Prąd | Częstotliwość | Współczynnik mocy | Ethernet | Modbus | M-Bus | |||||||||||
| LE-01 | ● | – | – | – | – | – | – | – | ● | – | – | – | – | – | – | – | – | – | – | – | – | – | – | – |
| LE-01d | ● | – | – | – | ● | – | – | – | ● | – | – | – | – | – | – | – | – | – | – | – | – | – | ● | – |
| LE-01DC | ● | – | – | – | – | – | bocznik | ● | ● | ● | – | – | – | – | ● | ● | ● | – | – | – | ● | – | ● | – |
| LE-01M | ● | – | – | – | – | – | – | – | ● | – | – | – | – | – | – | – | – | – | – | – | ● | – | – | – |
| LE-01MB | ● | – | – | – | ● | – | – | ● | ● | ● | ● | ● | ● | ● | ● | ● | ● | ● | ● | – | – | ● | ● | – |
| LE-01MQ | ● | – | – | – | ● | – | – | ● | ● | ● | ● | ● | ● | ● | ● | ● | ● | ● | ● | – | ● | – | ● | – |
| LE-01MR | ● | – | – | – | ● | – | – | ● | ● | ● | ● | ● | ● | ● | ● | ● | ● | ● | ● | – | ● | – | ● | ● |
| LE-01MW | ● | – | – | – | ● | – | – | ● | ● | ● | ● | ● | ● | ● | ● | ● | ● | ● | ● | – | ● | – | ● | ● |
| LE-01R | ● | – | – | – | ● | – | – | ● | ● | ● | ● | – | – | ● | ● | ● | ● | ● | ● | – | – | – | ● | ● |
| LE-02d | – | ● | – | – | ● | – | – | – | ● | – | – | – | – | – | – | – | – | – | – | – | – | – | ● | – |
| LE-02d CT | – | ● | – | – | – | – | ● | – | ● | – | – | – | – | – | – | – | – | – | – | – | – | – | ● | – |
| LE-03 | – | ● | – | – | – | – | – | – | ● | – | – | – | – | – | – | – | – | – | – | – | – | – | – | – |
| LE-03d | – | ● | – | – | ● | – | – | – | ● | – | – | – | – | – | – | – | – | – | – | – | – | – | ● | – |
| LE-03d CT200 | – | ● | – | – | – | – | ● | – | ● | – | – | – | – | – | – | – | – | – | – | – | – | – | – | – |
| LE-03d CT400 | – | ● | – | – | – | – | ● | – | ● | – | – | – | – | – | – | – | – | – | – | – | – | – | – | – |
| LE-03ETH | – | ● | – | – | ● | – | ● | ● | ● | ● | ● | ● | ● | ● | ● | ● | ● | ● | ● | ● | – | – | ● | – |
| LE-03ETH-CT | – | ● | – | – | ● | ● | ● | ● | ● | ● | ● | ● | ● | ● | ● | ● | ● | ● | ● | ● | – | – | ● | – |
| LE-03 FPV-RST | – | ● | – | – | ● | – | – | ● | ● | ● | – | – | – | ● | – | – | – | – | – | – | – | – | ● | ● |
| LE-03M | – | ● | – | – | ● | – | – | – | ● | – | – | – | – | – | ● | ● | ● | – | – | – | ● | – | – | – |
| LE-03M CT | – | ● | – | – | – | – | ● | – | ● | – | – | – | – | – | – | – | – | – | – | – | ● | – | – | – |
| LE-03MB | – | ● | – | – | ● | – | – | ● | ● | ● | ● | ● | ● | ● | ● | ● | ● | ● | ● | – | – | ● | ● | – |
| LE-03MB CT | – | ● | – | – | – | ● | ● | ● | ● | ● | ● | ● | ● | ● | ● | ● | ● | ● | ● | – | – | ● | ● | – |
| LE-03MP | – | ● | – | – | – | – | – | – | ● | – | ● | – | – | ● | – | ● | ● | ● | – | – | ● | – | – | – |
| LE-03MQ | – | ● | – | – | ● | – | – | ● | ● | ● | ● | ● | ● | ● | ● | ● | ● | ● | ● | – | ● | – | ● | – |
| LE-03MQ CT | – | ● | – | – | – | – | ● | ● | ● | ● | ● | ● | ● | ● | ● | ● | ● | ● | ● | – | ● | – | ● | – |
| LE-03MW | – | ● | – | – | ● | – | – | ● | ● | ● | ● | ● | ● | ● | ● | ● | ● | ● | ● | – | ● | – | – | ● |
| LE-03MW CT | – | ● | – | – | – | – | ● | ● | ● | ● | ● | ● | ● | ● | ● | ● | ● | ● | ● | – | ● | – | – | ● |
| LE-04d | – | ● | – | – | – | – | – | – | ● | – | – | – | – | – | – | – | – | – | – | – | – | – | – | – |
| LE-05d | – | ● | – | – | – | – | – | – | ● | – | – | – | – | – | – | – | – | – | – | – | – | – | – | – |
| NEL-1-30 | – | – | ● | – | – | – | – | – | ● | – | – | – | – | – | – | – | – | – | – | – | – | – | – | – |
| NEL-1-60 | – | – | ● | – | – | – | – | – | ● | – | – | – | – | – | – | – | – | – | – | – | – | – | – | – |
| NEL-3-100 | – | – | – | ● | – | – | – | – | ● | – | – | – | – | – | – | – | – | – | – | – | – | – | – | ● |
| WZE-1 | ● | – | – | – | ● | – | – | – | ● | – | – | – | – | – | – | – | – | – | – | – | – | – | – | – |
| WZE-1-RST | ● | – | – | – | – | – | – | – | ● | – | – | – | – | – | – | – | – | – | – | – | – | – | – | ● |
| WZE-3 | – | ● | – | – | ● | – | – | – | ● | – | – | – | – | – | – | – | – | – | – | – | – | – | – | – |
| WZE-3-RST | – | ● | – | – | ● | – | – | – | ● | – | – | – | – | – | – | – | – | – | – | – | – | – | – | ● |