

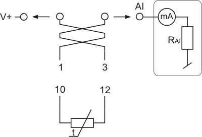
Purpose
The AT-1I transducer continuously converts the resistance of the external temperature sensor to the output DC signal in the range of 4÷20 mA. As a result of the transformation, a current appears in the output proportional to the temperature of the environment in which the temperature sensor is located.
The module works with resistance-type temperature sensaor KTY81-210 (or similar).
A dedicated temperature probe of F&F production: RT probe or RT2 probe.
The module's signal output is protected by an anti-interference filter that eliminates network disturbances that affect the accuracy of the transmitted signal. This allows the use of signal lines up to 300 m long.