Features
* four independent counters
* counter input designed to work with AC/DC signals
* factor adjustment (a floating-point value)
* rescaled value (number of pulses × factor)
* selecting a mode of state 1 trigger: high or low voltage
* selecting an input pulse edge (leading or trailing)
* frequency filter that allows you to limit the maximum frequency of counted pulses (to eliminate interferences on the input of the counter)
* memory of counter status after power failure
* digital input
Operation
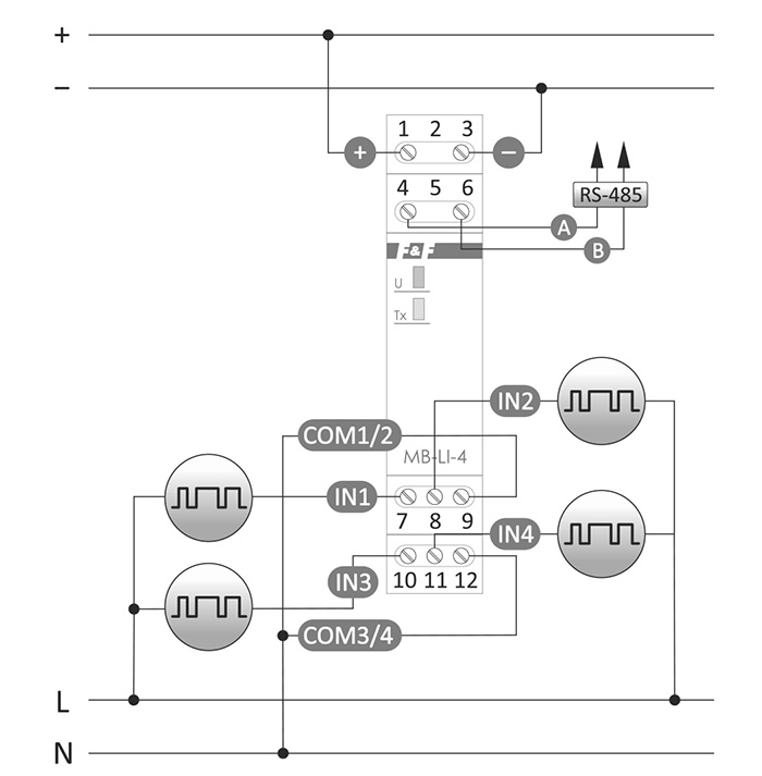
The MB-LI-4 module is a four-channel one-way counter. Each channel is independent and counts the impulses in accordance with individual settings. The results are presented in the form of a number of pulses and rescaled value in a range from 0 to ~4, 29 billion. Reading of the counter can be reset independently for each channel. Once the maximum number of pulses (overflow) is reached, counter automatically resets and counts from 0. The module has configurable options of counting pulses with low (0 V) or high (V+) signal and with leading or trailing edge.
In addition, counting input can be used as a DI digital input with the ability to read its state.
Reading the values of counted pulses, a rescaled value, adjustment of all counting parameters, communication and data exchange is carried out via RS-485 port using MODBUS RTU communication protocol. Power is indicated by a green LED U light. Correct data exchange between the module and other device is indicated by the LED yellow Tx light.
ATTENTION!
External control voltage is needed in each case to trigger input. If the module power supply is used to this end, it results in the loss of galvanic separation between control inputs, power supply and communication.
