3-phase, bidirectional, 4-quadrant electricity meter, direct measurement up to 100A.
MID-certified
Compliance
MID Directive 2014/32/EU
Certificate No. 0598/MID/B/25/135
The LE-03d-4Q is a three-phase electricity meter with bidirectional measurement of active and reactive energy. The meter enables full 4-quadrant reactive energy measurement (import/export of inductive and capacitive energy). The device is designed for the precise measurement of energy consumption in industrial, commercial and domestic installations.
Features
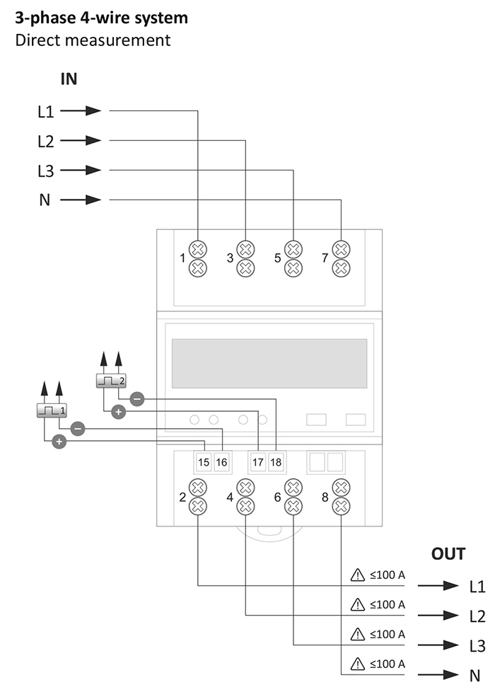
direct measurement of currents up to 100A in a 3-phase, 4-wire system;
bidirectional measurement of active and reactive energy (import and export);
recording of total active and reactive energy consumption, broken down into import/export (active and reactive energy), and reactive energy consumption in all 4 quadrants.
MID certification;
measurement of current network parameters: voltage, currents, active, reactive and apparent power, power factor;
calculation of active and reactive power demand;
additional, resettable energy consumption meter;
2 configurable SO pulse outputs;
PIN code protection for settings;
backlit, multifunctional LCD display;
DIN rail mounting, 4-module wide housing.
Measured values:
|
Active energy consumed/supplied |
AE+/AE- |
[kWh] |
|
Reactive energy consumed/supplied |
RE+/RE- |
[kVArh] |
|
Reactive energy broken down into 4 quadrants |
Q1-Q4 |
[kVArh] |
|
Phase voltages |
U1, U2, U3 |
[V] |
|
Phase-to-phase voltages |
U12, U23, U31 |
[V] |
|
Phase currents |
I1, I2, I3 |
[A] |
|
Frequency |
F |
[Hz] |
|
Active power |
P |
[W] |
|
Reactive power |
Q |
[var] |
|
Apparent power |
S |
[VA] |
|
Power factor |
cosϕ |
|
By measuring across four quadrants, we can obtain a complete energy balance for the electrical installation; this is essential for accurate energy billing in systems with photovoltaics or energy storage. It enables full control and monitoring of electricity consumption in three-phase systems, whilst providing a detailed analysis of the operating parameters of the entire installation. As a result, the user receives reliable data for billing and optimising energy consumption.

| Produkt | Licznik 1-fazowy |
Licznik 3-fazowy |
Wskaźnik 1-fazowy |
Wskaźnik 3-fazowy |
MID | Pomiar pośredni |
Pomiar półpośredni |
2-kierunkowy | Pomiar dodatkowych parametrów | Komunikacja | Podświetlenie liczydła |
Kasowanie | ||||||||||||
|---|---|---|---|---|---|---|---|---|---|---|---|---|---|---|---|---|---|---|---|---|---|---|---|---|
| Energia czynna pobrana | Energia czynna oddana | Energia bierna | Energia bierna pobrana | Energia bierna oddana | Moc czynna, bierna, pozorna | Zapotrzebowanie na moc | Napięcie | Prąd | Częstotliwość | Współczynnik mocy | Ethernet | Modbus | M-Bus | |||||||||||
| LE-01 | ● | – | – | – | – | – | – | – | ● | – | – | – | – | – | – | – | – | – | – | – | – | – | – | – |
| LE-01d | ● | – | – | – | ● | – | – | – | ● | – | – | – | – | – | – | – | – | – | – | – | – | – | ● | – |
| LE-01DC | ● | – | – | – | – | – | bocznik | ● | ● | ● | – | – | – | – | ● | ● | ● | – | – | – | ● | – | ● | – |
| LE-01M | ● | – | – | – | – | – | – | – | ● | – | – | – | – | – | – | – | – | – | – | – | ● | – | – | – |
| LE-01MB | ● | – | – | – | ● | – | – | ● | ● | ● | ● | ● | ● | ● | ● | ● | ● | ● | ● | – | – | ● | ● | – |
| LE-01MQ | ● | – | – | – | ● | – | – | ● | ● | ● | ● | ● | ● | ● | ● | ● | ● | ● | ● | – | ● | – | ● | – |
| LE-01MR | ● | – | – | – | ● | – | – | ● | ● | ● | ● | ● | ● | ● | ● | ● | ● | ● | ● | – | ● | – | ● | ● |
| LE-01MW | ● | – | – | – | ● | – | – | ● | ● | ● | ● | ● | ● | ● | ● | ● | ● | ● | ● | – | ● | – | ● | ● |
| LE-01R | ● | – | – | – | ● | – | – | ● | ● | ● | ● | – | – | ● | ● | ● | ● | ● | ● | – | – | – | ● | ● |
| LE-02d | – | ● | – | – | ● | – | – | – | ● | – | – | – | – | – | – | – | – | – | – | – | – | – | ● | – |
| LE-02d CT | – | ● | – | – | – | – | ● | – | ● | – | – | – | – | – | – | – | – | – | – | – | – | – | ● | – |
| LE-03 | – | ● | – | – | – | – | – | – | ● | – | – | – | – | – | – | – | – | – | – | – | – | – | – | – |
| LE-03d | – | ● | – | – | ● | – | – | – | ● | – | – | – | – | – | – | – | – | – | – | – | – | – | ● | – |
| LE-03d CT200 | – | ● | – | – | – | – | ● | – | ● | – | – | – | – | – | – | – | – | – | – | – | – | – | – | – |
| LE-03d CT400 | – | ● | – | – | – | – | ● | – | ● | – | – | – | – | – | – | – | – | – | – | – | – | – | – | – |
| LE-03ETH | – | ● | – | – | ● | – | ● | ● | ● | ● | ● | ● | ● | ● | ● | ● | ● | ● | ● | ● | – | – | ● | – |
| LE-03ETH-CT | – | ● | – | – | ● | ● | ● | ● | ● | ● | ● | ● | ● | ● | ● | ● | ● | ● | ● | ● | – | – | ● | – |
| LE-03 FPV-RST | – | ● | – | – | ● | – | – | ● | ● | ● | – | – | – | ● | – | – | – | – | – | – | – | – | ● | ● |
| LE-03M | – | ● | – | – | ● | – | – | – | ● | – | – | – | – | – | ● | ● | ● | – | – | – | ● | – | – | – |
| LE-03M CT | – | ● | – | – | – | – | ● | – | ● | – | – | – | – | – | – | – | – | – | – | – | ● | – | – | – |
| LE-03MB | – | ● | – | – | ● | – | – | ● | ● | ● | ● | ● | ● | ● | ● | ● | ● | ● | ● | – | – | ● | ● | – |
| LE-03MB CT | – | ● | – | – | – | ● | ● | ● | ● | ● | ● | ● | ● | ● | ● | ● | ● | ● | ● | – | – | ● | ● | – |
| LE-03MP | – | ● | – | – | – | – | – | – | ● | – | ● | – | – | ● | – | ● | ● | ● | – | – | ● | – | – | – |
| LE-03MQ | – | ● | – | – | ● | – | – | ● | ● | ● | ● | ● | ● | ● | ● | ● | ● | ● | ● | – | ● | – | ● | – |
| LE-03MQ CT | – | ● | – | – | – | – | ● | ● | ● | ● | ● | ● | ● | ● | ● | ● | ● | ● | ● | – | ● | – | ● | – |
| LE-03MW | – | ● | – | – | ● | – | – | ● | ● | ● | ● | ● | ● | ● | ● | ● | ● | ● | ● | – | ● | – | – | ● |
| LE-03MW CT | – | ● | – | – | – | – | ● | ● | ● | ● | ● | ● | ● | ● | ● | ● | ● | ● | ● | – | ● | – | – | ● |
| LE-04d | – | ● | – | – | – | – | – | – | ● | – | – | – | – | – | – | – | – | – | – | – | – | – | – | – |
| LE-05d | – | ● | – | – | – | – | – | – | ● | – | – | – | – | – | – | – | – | – | – | – | – | – | – | – |
| NEL-1-30 | – | – | ● | – | – | – | – | – | ● | – | – | – | – | – | – | – | – | – | – | – | – | – | – | – |
| NEL-1-60 | – | – | ● | – | – | – | – | – | ● | – | – | – | – | – | – | – | – | – | – | – | – | – | – | – |
| NEL-3-100 | – | – | – | ● | – | – | – | – | ● | – | – | – | – | – | – | – | – | – | – | – | – | – | – | ● |
| WZE-1 | ● | – | – | – | ● | – | – | – | ● | – | – | – | – | – | – | – | – | – | – | – | – | – | – | – |
| WZE-1-RST | ● | – | – | – | – | – | – | – | ● | – | – | – | – | – | – | – | – | – | – | – | – | – | – | ● |
| WZE-3 | – | ● | – | – | ● | – | – | – | ● | – | – | – | – | – | – | – | – | – | – | – | – | – | – | – |
| WZE-3-RST | – | ● | – | – | ● | – | – | – | ● | – | – | – | – | – | – | – | – | – | – | – | – | – | – | ● |