

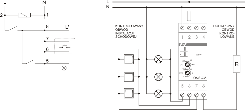
The OMS-635 power consumption limiter allows the user to maintain lighting in halls, staircases or other places active for a specified time when it will then turn off automatically.
With built-in power limiter. Supply 230 V AC. On rail 35 mm.
The user may also preset the automatic disconnection of power supply to a single-phase wiring system if the rated power input to the receivers in a given circuit is exceeded.
Functioning
Once activated by means of a release button (bell push), the limiter keeps the lighting active for a specified period of time preset by the potentiometer. After the lapse of this period, the device turns off the lighting automatically. The lights may then be turned on again. The limiter allows the user to supply power to the circuit if the total consumed power of all the receivers incorporated into the system is lower than the value set on the limiter's scale. Once the rated threshold of power consumption in the controlled circuit is exceeded, the supply to this element is disconnected and returned automatically after 30sec. If the value of power consumed continues to exceed the rated level, the supply is disconnected again.
Attention!
Power limiter should not be used in systems with electronic ignition (energy saving lamps), pulse power supply and other devices generating higher harmonics from 3 upwards.