4-biegunowy, obrotowy, modułowy przełącznik sieć-agregat 40 A
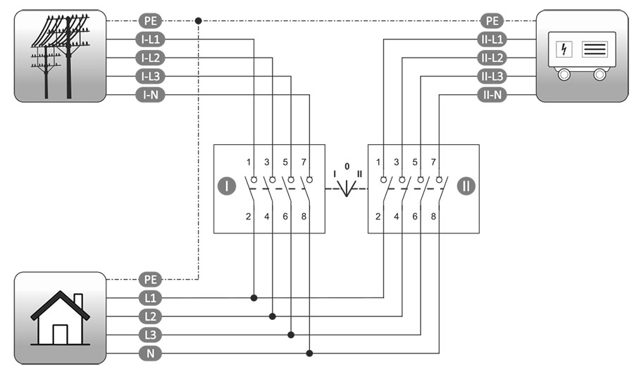
Modułowe przełączniki instalacyjne sieć-agregat realizują program przełączeń 1-0-2, dzięki czemu możliwe jest np. podłączenie do wyjścia jednej z dwóch linii wejściowych, lub całkowite rozłączenie obwodów. Możliwe jest dokonywanie przełączeń do znamionowego prądu obciążenia.
Cechy urządzenia:
• załączenie/wyłączenie styków głównych (L1, L2, L3, N) następuje jednocześnie;
• Mechaniczne zabezpieczenie zapobiegające jednoczesnemu włączeniu obu źródeł zasilania lub natychmiastowemu przełączeniu z jednej linii na drugą, bez przejścia przez pozycję 0;
• Możliwość pracy w układzie 1-fazowy i 3-fazowym;
Uwaga! W przypadku instalacji 1-fazowych należy podłączyć fazę zasilania do zacisków L1, L2, L3 przełącznika.
