

Czujnik opadów pracuje w dwóch trybach:
Tryb ciągły
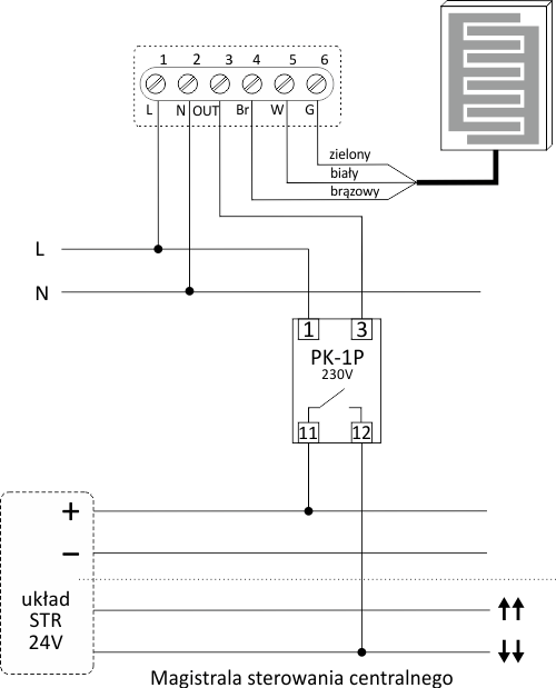
W momencie rozpoczęcia opadów wewnętrzny styk przekaźnika zamyka się i pozostaje zamknięty przez cały czas trwania opadów. W połączeniu ze sterownikami rolet STR-3 i STR-4 tryb taki zapewnia zamknięcie rolet w momencie pojawienia się deszczu i zablokowanie ich w pozycji zamkniętej, aż do momentu zakończenia opadów.
Tryb impulsowy
W momencie rozpoczęcia opadów wewnętrzny styk przekaźnika zamyka się na czas ok. 1,5 s przekazując do sterowników rolet jednorazowy rozkaz zamknięcia. W połączeniu ze sterownikami rolet STR-3 i STR-4 tryb taki zapewnia zamknięcie rolet w momencie pojawienia się deszczu, ale później użytkownik ma możliwość podniesienia rolet w dowolnym momencie.
Wybór trybu pracy realizowany jest za pomocą pokrętła znajdującego się na elewacji sterownika.